445nm-250W
BWT,founded in 2003, is committed to the mission of "let the dream drive the light", the vision of becoming the "Global leader in laser solutions", and the value of "Outstanding innovation", providing diode laser, fiber laser, ultra-fast laser products and solutions to global customers.The company pursues continuous innovation and insists on autonomous and controllable advanced process and technology. With Beijing headquarters as the core, BWT has successively established production and R&D centers in Jiangsu, Shanghai and Shenzhen, and invested in the construction of intelligent and digital production base in Tianjin. In order to build the world's highest level of technical strength and product quality, BWT set up a German subsidiary in 2020, introducing European quality standards, and taking a solid step for the internationalization of R&D, production and technological innovation.
Up to now, BWT has traded more than 10 million lasers worldwide. BWT’s products are available in more than 70 countries and regions, applications involving industry, medical, commercial, scientific research, information and many other fields.
Main features:
Application:
Performance Parameter

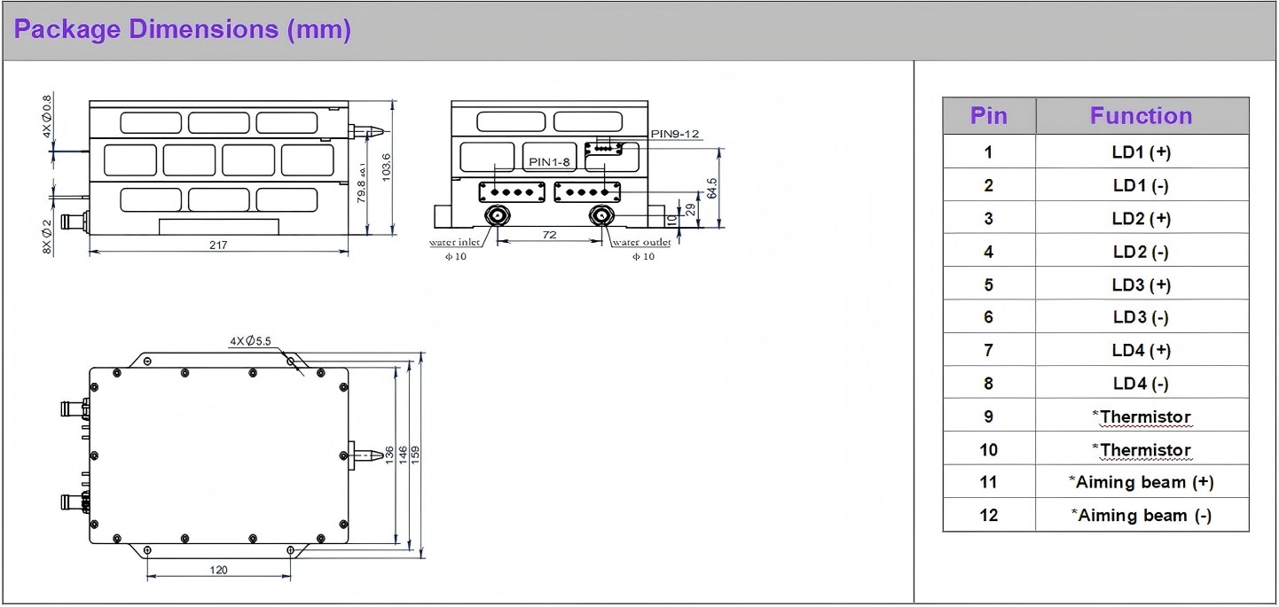
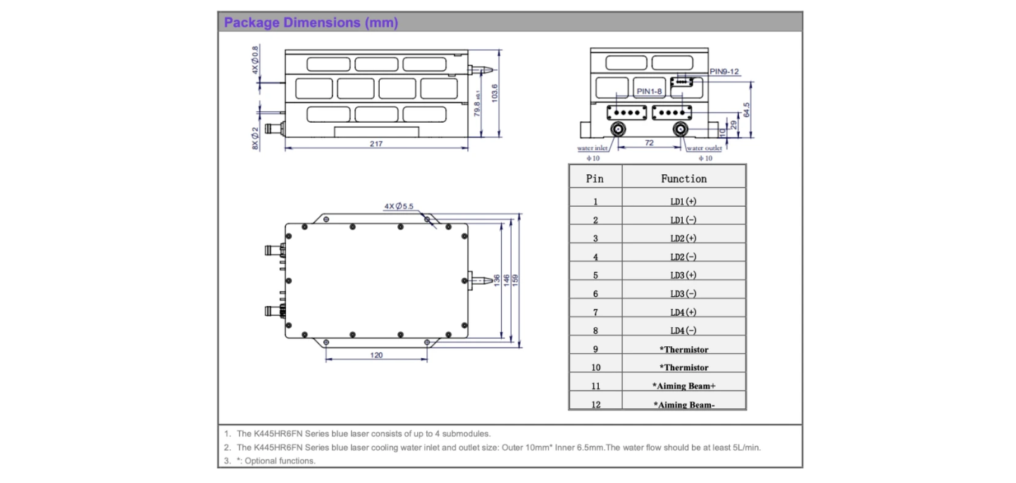
Structure Size (mm)

Instructions for use
u Avoid eye and skin exposure to direct radiation during operation.
u ESD
u For lasers with operating currents above 6A, connect leads by soldering. The soldering point should be as close to the middle of the pins as possible, with a temperature below 260℃ and a soldering time of less than 10 seconds.
u Before operating the laser, ensure that the fiber output end is properly cleaned.
u Use constant current power supply to avoid surge current during operation.
u Operate within the rated current and power levels
u Ensure proper cooling during operation.
u The operating temperature range is 20℃ to 30℃.
u The storage temperature range is -20℃ to +70℃.